Hallo para enginer, nah sekarang, kami akan mengulas tentang Wiring Diagram Kabel Body Rx King.
Ulasan Singkat Wiring Diagram Kabel Body Rx King
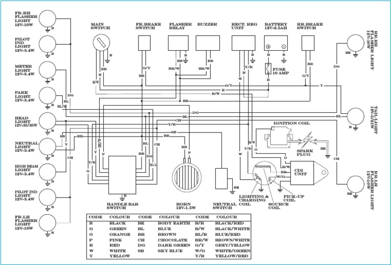
Wiring Diagram Kabel Body Rx King. Jika di gambar yang saya berikan ada yang salah mohon tinggalkan komentar agar saya perbaiki ya lur. Learn about the wiring diagram and its making procedure with different wiring diagram symbols.
Dapatkan Wiring Diagram Kabel Body Rx King . F ELECTRICAL WIRING DIAGRAM (System Circuits). LACETTI Scheme of Starting the Engine and Charging the Battery. Wiring Diagram Kabel Body Rx King ialah unsur penting sebab sistem Wiring Diagram Kabel Body Rx King punya arus listrik bagi keinginan pembakaran dan bagi mampu menggerakkan pendukung listrik.
Diagram ini saya buat setelah melihat jalur kabel yang keluar dari spul dan masuk ke cdi dari motor standard RX king. Download
Berikut ini Wiring Diagram Kabel Body Rx King. Wiring diagrams use simplified symbols to represent switches, lights, outlets, etc.
Type of wiring diagram Wiring Diagram VS Schematic Diagram How to read a wiring diagram: Symbols you should know Wiring Diagram Examples How to draw a wiring diagram with Edraw? Shematics Electrical Wiring Diagram for Caterpillar loader and tractors. Jalur kelistrikan Rx king - ngurut kabel bodi rxking Подробнее.
Wiring Diagram Kabel Body Rx King Rakit kabel bodi / body simple motor rx king rx s rx k, Lampu DC skema gambar, pengapian tetap AC Подробнее. Warna kabel pada setiap pabrikan motor memiliki standart sendiri sendiri, artinya warna kabel yang dibuat oleh produsen masing masing pembuat kendaraan sepeda motor tidaklah sama. Rakit Kabel Body Rx King Pasang Lampu Led Arus Dc. Terima kasih telah mengunjungi artikel tentang Wiring Diagram Kabel Body Rx King.







0 Komentar