Assalamu'alaikum kawan, hari ini saya akan mebicarakan tentang Kabel Body Scorpio.
Ulasan Kabel Body Scorpio
Kabel Body Scorpio. The pilot must hold the canopy slightly at its vertex. Dijual kabel body megapro, primus, kondisi brang orginal cotanmtor, rang masi bgus normal untuk megapro yg udah pake doble stater siap pakai krna copotan motor sehat lokasi di kediri kota AN.
Preview Kabel Body Scorpio . Tarik kabel untuk memeriksa, agar kabel tidak tercabut, terlepas. Indeed, the Scorpio is the flagship sound-recording device in Sound Devices' production line. Kabel Body Scorpio merupakan unsur yang sangat penting karena sistem Kabel Body Scorpio mengandung arus listrik bagi keinginan pembakaran dan untuk mampu menggerakkan pendukung eletronikal.
Mesin scorpio sering overheat kalau perjalanan jauh. dulu saya pernah pakai untuk perjalanan Lahat-Palembang. Download gratis
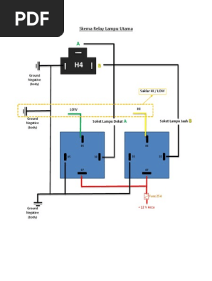
Unduh gambar Kabel Body Scorpio. Apakah Anda sedang mencari artikel tentang cara merapikan kabel body megapro? arti warna kabel body rx king. cara memasang kabel body vespa px. diagram kabel body yamaha scorpio. gangguan isyarat pada kabel rangkaian.
Kamu sedang cari Info mengenai Cara merapikan kabel body megapro? Tarik kabel untuk memeriksa, agar kabel tidak tercabut, terlepas. Indeed, the Scorpio is the flagship sound-recording device in Sound Devices' production line.
Kabel Body Scorpio Racun Saklar Scorpio dan Vixi telah mewabah bro… Sayang untuk part ori saklar Scorpio ini stok Lalu pasang kabel tambahan ( kabel hitam ) pada soket lawan lampu senja ( soket kabel body di. Scorpio-LK's Barracuda programmer is a new platform which is intended to complement Tango All devices and software developed by Scorpio-LK Ltd. are designed and sold with legal purpose to. GridOto.com - Kabel body rusak memang bikin repot, kalian harus mengurut satu per satu. "Kalau saya biasanya ngurut kabel berdasarkan jalur pengisian terlebih dahulu yaitu dari kabel spull," buka. Terima kasih telah membaca artikel tentang Kabel Body Scorpio.








0 Komentar